スタッフブログ
STAFF BLOG2017.06.08 / 坂井
400棟の実績から得た間取りのコツ
県央支店の坂井です。
私は10年前から間取りを毎日の日課のようにしてきました。
少なく見積もっても10年間で400棟は間取りしてます。
成約に至った物件から、残念ながらお蔵入りになってしまった物件すべて含めてです。
今回は私なりの持論になりますが、間取りでのコツを紹介します。
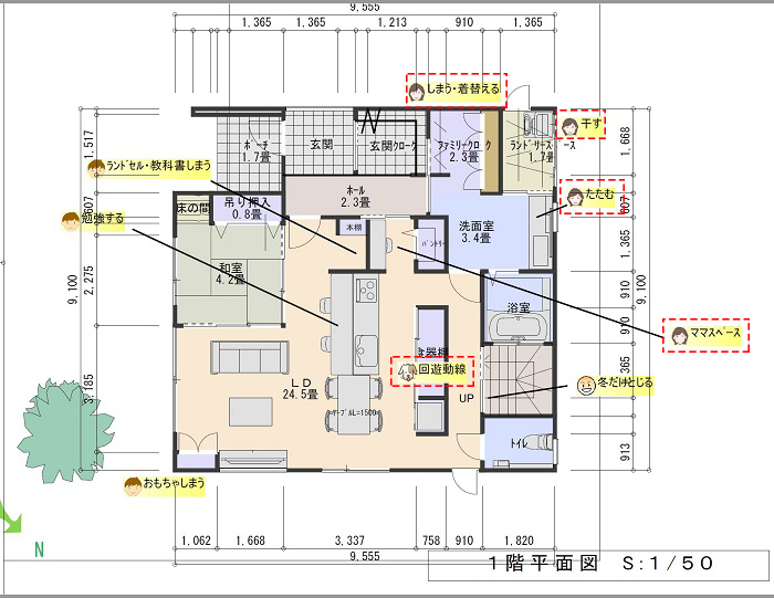
住み始めてわかる家事動線

家事は毎日の事ですよね。毎日の事だからこそ大事ですなんです。
キッチンの隣に洗面脱衣室があり洗濯物をしたら隣が日当たりのよいランドリースペースでその先にテラスがあり、外干しもできる。
また、取り込んだ洗濯物を隣のファミリークロークがあり、そこにたたんでしまう。しかも回遊動線でなければなりません。
もう一つが、子供の動線

学校から帰ってくるとまずランドセルをLDKに投げっぱなしで遊びに行く。
また、テレビゲームをLDKでするので、TV周りにゲームのコントローラーや、カセットが散らばって片づける場所がない。
ダイニングで勉強して、教科書をしまう場所がない。
子供は小学生のうちは、リビングで勉強する子供がほとんどですね。
そこでLDKに何が必要かというとカバンをしまう棚と、教科書や辞典などしまう本棚や、TV台脇には必ず収納が必要です。
現実的にあった方がいいというより、ほぼほぼ上記のようなライフスタイルが想定される事を考えると、設計者がしっかり提案してあげる事が必要だと考えますし、その方が親切ですよね。
今後の間取りの参考にしてみてください。